Function VKL11B RCCB and VKL11B+ RCCB is appearance design, compact structure, good reliability, and high safety. They are universal residual current circuit breaker. Residual current circuit breaker type B are suitable for domest...
VKL11B HP Type B HP RCD are unique devices specifically designed for heat pumps. While meeting the Type B device standard, VKL11B HP Type B HP RCDs can detect and trip under smooth DC faults at any level. Tested to operate at frequencies greater than 20 kHz, with a minimum tripping threshold of 150 mA for frequencies above 1 kHz.
Type B HP RCDs(VKL11B HP RCDs): Technical Overview
• Two pole two module 36MM: Space saving design enables easier installation using standard busbar.
• Compliance with BS 7671 Standards: These devices meet the requirements set out in BS 7671, ensuring they provide the necessary protection in modern electrical installations.
• Effective Operation at High Frequencies: Designed to function reliably at frequencies of 20 kHz and above, making them suitable for applications involving variable-speed drives and heat pump systems.
• Tripping Reliability:with a minimum tripping threshold of 150 mA for frequencies above 1 kHz
• Detection of Smooth DC Fault Currents: Capable of detecting and interrupting continuous smooth DC residual currents, which is essential for comprehensive fault protection in systems where such currents may be present.
Why Type B HP RCDs Are Essential for Heat Pumps
Modern heat pumps, especially those with inverter-driven compressors, create high- frequency electrical currents when converting AC to DC power. These can include smooth DC and high-frequency residual currents that regular Type B RCDs (designed for 50 Hz) may not detect properly.
Some installers mistakenly believe that Type B+ devices are suitable for heat pump applications. However, Type B+ is a VDE Standard and is not recognized by BS 7671.
What Makes Type B HP RCDs Different?
Type B HP RCDs are specially developed for use with heat pump systems. They meet all the requirements of standard Type B RCDs, but go a step further—they’re built to operate at frequencies above 20 kHz, which are common in modern heat pumps.
They also ensure reliable protection by tripping at a minimum threshold of 150 mA for frequencies over 1 kHz, offering an added layer of safety in high-frequency environments.This precision is critical for the reliable and safe operation of heat pumps
Why Some Type B RCDs Trip at 1 kHz
Not all Type B RCDs are built to cope with the high-frequency currents produced by modern heat pumps. Some models are only rated to handle frequencies up to 1 kHz, which means they can trip unnecessarily when exposed to the higher-frequency residual currents these systems generate.
This can cause nuisance tripping and unexpected downtime. That’s why it’s important to use a Type B HP RCD—specifically designed to handle higher frequencies without compromising performance or reliability

Which RCD to Use

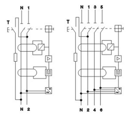
Wiring diagrams

Type B HP RCDs(VKL11B HP RCDs): Technical Overview
• Two pole two module 36MM: Space saving design enables easier installation using standard busbar.
• Compliance with BS 7671 Standards: These devices meet the requirements set out in BS 7671, ensuring they provide the necessary protection in modern electrical installations.
• Effective Operation at High Frequencies: Designed to function reliably at frequencies of 20 kHz and above, making them suitable for applications involving variable-speed drives and heat pump systems.
• Tripping Reliability:with a minimum tripping threshold of 150 mA for frequencies above 1 kHz
• Detection of Smooth DC Fault Currents: Capable of detecting and interrupting continuous smooth DC residual currents, which is essential for comprehensive fault protection in systems where such currents may be present.
Why Type B HP RCDs Are Essential for Heat Pumps
Modern heat pumps, especially those with inverter-driven compressors, create high- frequency electrical currents when converting AC to DC power. These can include smooth DC and high-frequency residual currents that regular Type B RCDs (designed for 50 Hz) may not detect properly.
Some installers mistakenly believe that Type B+ devices are suitable for heat pump applications. However, Type B+ is a VDE Standard and is not recognized by BS 7671.
What Makes Type B HP RCDs Different?
Type B HP RCDs are specially developed for use with heat pump systems. They meet all the requirements of standard Type B RCDs, but go a step further—they’re built to operate at frequencies above 20 kHz, which are common in modern heat pumps.
They also ensure reliable protection by tripping at a minimum threshold of 150 mA for frequencies over 1 kHz, offering an added layer of safety in high-frequency environments.This precision is critical for the reliable and safe operation of heat pumps
Why Some Type B RCDs Trip at 1 kHz
Not all Type B RCDs are built to cope with the high-frequency currents produced by modern heat pumps. Some models are only rated to handle frequencies up to 1 kHz, which means they can trip unnecessarily when exposed to the higher-frequency residual currents these systems generate.
This can cause nuisance tripping and unexpected downtime. That’s why it’s important to use a Type B HP RCD—specifically designed to handle higher frequencies without compromising performance or reliability